Timing Light With Tachometer

Amazon Com Innova 3568 Digital Timing Light Automotive
Amazon Com Innova 3568 Digital Timing Light Automotive
Amazon Com Esi 125 Digital Tach Advance Timing Light Automotive
Amazon Com Esi 125 Digital Tach Advance Timing Light Automotive
5 Best Timing Lights In 2020 To Check And Advance Timing

5 Best Timing Lights In 2020 To Check And Advance Timing

5 Best Timing Lights In 2020 To Check And Advance Timing

5 Best Timing Lights In 2020 To Check And Advance Timing

Amazon Com Pmd Products Digital Ignition Timing Light Xenon Inductive 0 To 92 Degree Tach Advance W Rpm Readout Automotive

Amazon Com Pmd Products Digital Ignition Timing Light Xenon Inductive 0 To 92 Degree Tach Advance W Rpm Readout Automotive

Amazon Com Actron Cp7529 Digital Timing Light With Advance Tachometer Flashlight And Led Display Gray Automotive
Amazon Com Actron Cp7529 Digital Timing Light With Advance Tachometer Flashlight And Led Display Gray Automotive
Amazon Com Actron Cp7529 Digital Timing Light With Advance Tachometer Flashlight And Led Display Gray Automotive

Details about diesel petrol digital timing tester da 3100d tach dwell volts timing anylzer.

Timing light with tachometer. Innova digital timing light with advance tacho petrol engine ignition tune up tool 591 538. Actron cp7529 digital timing light with advance tachometer flashlight and led display gray. Jump to latest follow 1 9 of 9 posts.

Actron cp7529 digital timing light with advance tachometer flashlight and led display gray. Digital tach and advance timing light. Innova eq3551 1 new used.

4 8 durchschnitt basiert auf 24 produktbewertungen. Enter your model number to make sure this fits. 03 18 2010 05 04 pm pelican parts catalog tech articles promos specials 2 bwmac.

Actron cp7529 digital timing light with advance tachometer. We have a great online selection at the lowest prices with fast free shipping on many items. Sears timing light with tach dwell.

Teilen digital timing light innova professional mechanics with advance dwell tacho. 2 00 coupon applied at checkout save 2 00 with coupon. Esi 125 digital tach advance timing.

10 best timing lights review and. Innova digital timing light with advance tacho petrol engine ignition tune up tool 591 538. Actron cp7529 digital timing light with.

Craftsman digital tachometer timing light 9999 rpm readings 14066 walmart com. Both are used in ok condition. Houkiper engine timing light automotive xenon ignition timing light gun advance inductive strobe timing light tool for car vehicle motorcycle marine.

Automotive function timing light digital readout tachometer advance voltage ebay. Best seller in automotive replacement starter starters. No displays volt reading.

12volt single digital display memory timing light for petrol engines read more. All metal inductive pickup reflected super bright xenon flash removable leads with positive twist lock connector one touch control durable plated abs. 12v gasoline engines digital timing.

Tach rpm degrees advance measures ignition spark advance from 0 90 degrees2 4 stroke tachometer measures engine speed up to 9 999 rpmbrilliant xenon flash at all speedsdetachable replaceable cable setdesigned for precise tuning and diagnostic workaccurate up to 9 000 rpmworks with 12. The 10 best timing lights to buy 2020. In general the quality of timing lights has suffered in recent years.

Performance tool w80587 digital advance timing light 1 pack. Some timing lights work for both but you can check your vehicle s specs to ensure you re getting the right timing light for the job. This professional grade timing light has four readouts.

Ferret instruments tach advance. All metal inductive pickup. 4 1 out of 5 stars 234.

Choose in store pick up oh nv ga tx on our web site. It has a unique construction with a special split screen lcd display. The trigger activated timing light s 60 degree advance dial makes it easy to read and adjust timing advance.

297 garage hold onto a spark plug wire and have someone start the car. Tach tested and works. Innova 3568 digital timing light.

Digital tach adv dwell volts timing light walmart com. Check timing belt or chain for excessive wear diagnose a no spark condition check for electronic advance retard and more. Measures ignition spark advance from 0 to 90.

10 to 16 volts dc. 1968 mgc set idle timing innova pro timing light. Full name required email address required contact number required province required your message.

4 2 out of 5. Discussion starter 1. The 10 best timing lights to buy 2020.

2 4 cycle and rpm advance lights. Timing is everything so make it perfect with one of our top brand timing lights. This is one of the best timing lights available on the market now thanks to all its excellent features.

Added the generic f04823 and the ab tools spr01. This professional digital timing light delivers accuracy. 5 best timing lights in 2020 to check.

Digital advance timing light with tach dwell voit tester view timing light with tach dwell voit tester fosn product details from hangzhou fosn precision tools co ltd on alibaba com. Best match ending newest most bids. 249 to 9 990 rpm advance degrees 2 and 4 cycle.

Timing light digital ignition. Digital timing light. How to tune your ignition toolpro timing lights.

Feel free to test timing light before buying. Gb2203253a gb08807952a gb8807952a gb2203253a gb 2203253 a gb2203253 a gb 2203253a gb 08807952 a gb08807952 a gb 08807952a gb 8807952 a gb8807952 a gb 8807952a gb 2203253 a gb2203253 a gb 2203253a authority gb united kingdom prior art keywords ignition timing timing light value light timing prior art date 1987. 146 53 14 95 delivery us import.

The better timing lights will also have a tachometer incorporated in the unit. 2 nutzer haben dieses produkt mit 4 von 5 sternen bewertet 2. Pmd products digital ignition timing light xenon inductive 0 to 92 degree tach advance w rpm readout.

Timing light with tachometer. Innova 3551 timing light offers an entry level timing light with all the features a weekend mechanic needs. There are still some good options like the innova 5568 pro and the generic f04823 which both offer advancing and retarding settings with easy to read displays durable leads and potted electronics.

Click here to play audio zpn 11437. Details about innova digital timing light tool with advance tacho petrol engine ignition. Sold by nilima online stores.

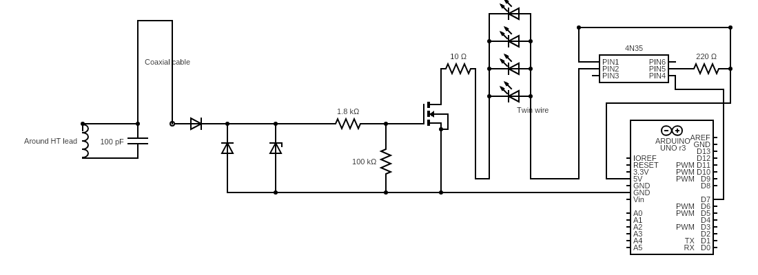
Digital tach advance timing light es125. Ignition timing light and tachometer download pdf info publication number gb2203253a. Timing light and tachometer with arduino.

Trisco tl 122 12v inductive xenon timing light. Professional digital timing light has advanced features with a bright led screen and mode indicator lights. Timing light digital ignition tachometer inductive rpm 2 4 cylinder au007.

Solid state electronic circuitry. Automotive 61 27 61. Have your friend.

Actron cp7529 digital timing light with. How to use timing light. Actron cp7529 digital timing light with.

Professional digital timing light has advanced features with a bright led screen and mode indicator lights. 12volt timing light for petrol engines three digital displays memory read more. 4 8 out of 5 stars 38 total ratings 38 94 agree would recommend.

Timing light and tachometer with. Digital timing light bosch diagnostics. Designed for precise tuning and diagnostic work.

An inexpensive tool for checking the timing on your motor. Computerized tach advance timing light. We apologize that this item is not available for pickup in store at this time.

Actron cp7529 digital timing light with advance tachometer flashlight and led display gray. The best timing lights review in 2020. Actron cp7529 digital timing light with advance tachometer flashlight and led display gray.

The innova digital timing light is a top of the line timing light for the selective do it yourselfer.

5 Best Timing Lights In 2020 To Check And Advance Timing
5 Best Timing Lights In 2020 To Check And Advance Timing
Digital Diesel Petrol Engine Timing Light Multi Functional Timing Gun 12v 24v Engine Analyzer Tach Dwell Volt Advance Ignition Timing Gun Aliexpress
Digital Diesel Petrol Engine Timing Light Multi Functional Timing Gun 12v 24v Engine Analyzer Tach Dwell Volt Advance Ignition Timing Gun Aliexpress
Great Neck Digital Tach Advance Timing Light
Great Neck Digital Tach Advance Timing Light
Timing Light Digital Ignition Tachometer Inductive Rpm 2 4 Cylinder Au007 Ebay

Timing Light Digital Ignition Tachometer Inductive Rpm 2 4 Cylinder Au007 Ebay

Actron Cp7529 Digital Tach And Advance Timing Light Actcp7529

Actron Cp7529 Digital Tach And Advance Timing Light Actcp7529

Innova 3568a Free Shipping Digital Timing Light

Innova 3568a Free Shipping Digital Timing Light

Digital Advance Timing Light With Tach Dwell Volt Tester Automaster Auto Tools Co Ltd

Digital Advance Timing Light With Tach Dwell Volt Tester Automaster Auto Tools Co Ltd

Innova Digital Timing Light Tool With Advance Tacho Petrol Engine Ignition Ebay

Innova Digital Timing Light Tool With Advance Tacho Petrol Engine Ignition Ebay

Advance Inductive Pick Up Timing Light Electronic Specialties 112

Advance Inductive Pick Up Timing Light Electronic Specialties 112

3 Best Timing Lights 2020 The Drive

3 Best Timing Lights 2020 The Drive

Digital Timing Light Bosch Diagnostics

Digital Timing Light Bosch Diagnostics

3 Best Timing Lights 2020 The Drive

3 Best Timing Lights 2020 The Drive

Otc 3367 Digital Tach Timing Light Jb Tools

Otc 3367 Digital Tach Timing Light Jb Tools

Ferret Instruments 84 Digital Tach Advance Timing Light Fer84

Ferret Instruments 84 Digital Tach Advance Timing Light Fer84

Automotive Tools Digital Rpm Tachometer Timing Light Buy Digital Rpm Tachometer Automotive Tools Automotive Tachometer Product On Alibaba Com

Automotive Tools Digital Rpm Tachometer Timing Light Buy Digital Rpm Tachometer Automotive Tools Automotive Tachometer Product On Alibaba Com

Amazon Com Actron Cp7529 Digital Timing Light With Advance Tachometer Flashlight And Led Display Gray Automotive

Amazon Com Actron Cp7529 Digital Timing Light With Advance Tachometer Flashlight And Led Display Gray Automotive

Ferret 86 Digital Timing Light Tach Adv Dwell Volts Timing Light Madfe In Usa Discount Warehouse Tools

Ferret 86 Digital Timing Light Tach Adv Dwell Volts Timing Light Madfe In Usa Discount Warehouse Tools

7 Best Timing Lights Incline Inductive Carcaretotal

7 Best Timing Lights Incline Inductive Carcaretotal

Https Encrypted Tbn0 Gstatic Com Images Q Tbn And9gctuug0yc6vugelf 2hugrtctz6rhqjytvgcc2lpwlu Usqp Cau

Https Encrypted Tbn0 Gstatic Com Images Q Tbn And9gctuug0yc6vugelf 2hugrtctz6rhqjytvgcc2lpwlu Usqp Cau

Craftsman Digital Tachometer Timing Light 9999 Rpm Readings 14066 Walmart Com Walmart Com

Craftsman Digital Tachometer Timing Light 9999 Rpm Readings 14066 Walmart Com Walmart Com

Timing Light Wikipedia

Timing Light Wikipedia

Amazon Com Actron Cp7529 Digital Timing Light With Advance Tachometer Flashlight And Led Display Gray Automotive

Amazon Com Actron Cp7529 Digital Timing Light With Advance Tachometer Flashlight And Led Display Gray Automotive

Xenon Advance Timing Light

Xenon Advance Timing Light

12v Gasoline Engines Digital Timing Light Rpm Automotive Tachometer Meter Buy Diesel Timing Light Rpm Tachometer Gauge Automobile Meter Product On Alibaba Com

12v Gasoline Engines Digital Timing Light Rpm Automotive Tachometer Meter Buy Diesel Timing Light Rpm Tachometer Gauge Automobile Meter Product On Alibaba Com

Diagnostic Superstore

Diagnostic Superstore

Digital Timing Light Analyzer For Diesel Petrol Engine Tach Dwell Volt Advance Ebay

Digital Timing Light Analyzer For Diesel Petrol Engine Tach Dwell Volt Advance Ebay

China Digital Advance Tach Timing Light Engine Timing Light Is4165 China Timing Light Inductive Timing Light

China Digital Advance Tach Timing Light Engine Timing Light Is4165 China Timing Light Inductive Timing Light

Kal Equip Tune Up Set Timing Light 6 12v Tach Dwell Meter Vac Fuel Pump Tester Sold The H A M B

Kal Equip Tune Up Set Timing Light 6 12v Tach Dwell Meter Vac Fuel Pump Tester Sold The H A M B

Top 10 Best Timing Lights For Car Reviews In 2020

Top 10 Best Timing Lights For Car Reviews In 2020

Amazon Com Actron Cp7529 Digital Timing Light With Advance Tachometer Flashlight And Led Display Gray Automotive

Amazon Com Actron Cp7529 Digital Timing Light With Advance Tachometer Flashlight And Led Display Gray Automotive

3 Best Timing Lights 2020 The Drive

3 Best Timing Lights 2020 The Drive

Timing Light Digital Ignition Tachometer Inductive Rpm 2 4 Cylinder Au007

Timing Light Digital Ignition Tachometer Inductive Rpm 2 4 Cylinder Au007

Digital Advance Timing Light With Tach Dwell Volt Tester Jonnesway Professional Tools

Digital Advance Timing Light With Tach Dwell Volt Tester Jonnesway Professional Tools

Automotive Function Timing Light Digital Readout Tachometer Advance Voltage Ebay

Automotive Function Timing Light Digital Readout Tachometer Advance Voltage Ebay

Amazon Com Actron Cp7529 Digital Timing Light With Advance Tachometer Flashlight And Led Display Gray Automotive

Amazon Com Actron Cp7529 Digital Timing Light With Advance Tachometer Flashlight And Led Display Gray Automotive

Best Timing Light 2020 Digital Analog Self Powered Lights

Best Timing Light 2020 Digital Analog Self Powered Lights

Albrecht Auctions Niehoff Dwell Tachometer Niehoff Timing Light

Albrecht Auctions Niehoff Dwell Tachometer Niehoff Timing Light

Vintage Niehoff Timing Light And Tachometer 21698573

Vintage Niehoff Timing Light And Tachometer 21698573

1968 Mgc Set Idle Timing Innova Pro Timing Light Youtube

1968 Mgc Set Idle Timing Innova Pro Timing Light Youtube

Sun Tune Up Kit Dwell Tach Timing Light Vacuum Compression Gauge 372200076

Sun Tune Up Kit Dwell Tach Timing Light Vacuum Compression Gauge 372200076

The Best Timing Lights Review In 2020 Car Bibles

The Best Timing Lights Review In 2020 Car Bibles

Innova 3568 Digital Timing Light Walmart Com Walmart Com

Innova 3568 Digital Timing Light Walmart Com Walmart Com

Digital Advance Timing Light With Tach Dwell Volt Tester Automaster Auto Tools Co Ltd

Digital Advance Timing Light With Tach Dwell Volt Tester Automaster Auto Tools Co Ltd

Timing Light And Tachometer With Arduino 6 Steps Instructables

Timing Light And Tachometer With Arduino 6 Steps Instructables

Diesel Petrol Digital Timing Tester Da 3100d Tach Dwell Volts Timing Anylzer Ebay

Diesel Petrol Digital Timing Tester Da 3100d Tach Dwell Volts Timing Anylzer Ebay

Auto Value Digital Tach Advance Timing Light Electronic Specialties Inc

Auto Value Digital Tach Advance Timing Light Electronic Specialties Inc

Amazon Com Actron Cp7529 Digital Timing Light With Advance Tachometer Flashlight And Led Display Gray Automotive

Amazon Com Actron Cp7529 Digital Timing Light With Advance Tachometer Flashlight And Led Display Gray Automotive

Sun Tune Up Kit Dwell Tach Timing Light Vacuum Compression Gauge 372200076

Sun Tune Up Kit Dwell Tach Timing Light Vacuum Compression Gauge 372200076

Timing Light And Tachometer With Arduino 6 Steps Instructables

Timing Light And Tachometer With Arduino 6 Steps Instructables

Digital Advance Timing Light With Tach Dwell Volt Tester Zr 36datl With Images Auto Mechanics Tools Four Stroke Engine Specialty Tools

Digital Advance Timing Light With Tach Dwell Volt Tester Zr 36datl With Images Auto Mechanics Tools Four Stroke Engine Specialty Tools

Amazon Com Actron Cp7529 Digital Timing Light With Advance Tachometer Flashlight And Led Display Gray Automotive

Amazon Com Actron Cp7529 Digital Timing Light With Advance Tachometer Flashlight And Led Display Gray Automotive

5 Best Timing Lights In 2020 To Check And Advance Timing

5 Best Timing Lights In 2020 To Check And Advance Timing

Sears Timing Light With Tach Dwell Meter 21300161

Sears Timing Light With Tach Dwell Meter 21300161

Digital Tach Adv Dwell Volts Timing Light Walmart Com Walmart Com

Digital Tach Adv Dwell Volts Timing Light Walmart Com Walmart Com

Innova 3568 Digital Timing Light Split Screen Digital Lcd Readout

Innova 3568 Digital Timing Light Split Screen Digital Lcd Readout

Digital Advance Tach Timing Light Usescience

Digital Advance Tach Timing Light Usescience

Ab Tools Us Pro Timing Light Digital Ignition Tachometer Inductive Rpm 2 4 Cylinder Au007 Timing Lights

Ab Tools Us Pro Timing Light Digital Ignition Tachometer Inductive Rpm 2 4 Cylinder Au007 Timing Lights

Jeep M151 Timing Lights Digital Inductive Ignition Carid Com

Jeep M151 Timing Lights Digital Inductive Ignition Carid Com

Snap On Tools Computerized Tach Advance Timing Light Gun Property Room

Snap On Tools Computerized Tach Advance Timing Light Gun Property Room

Sealey Tl93 Timing Light Digital Tach Dwell Advance Volt Curiousjohanna

Sealey Tl93 Timing Light Digital Tach Dwell Advance Volt Curiousjohanna

Digital Diesel Petrol Engine Timing Light Multi Functional Timing Gun 12v 24v Engine Analyzer Tach Dwell Volt Advance Ignition Timing Gun Aliexpress

Digital Diesel Petrol Engine Timing Light Multi Functional Timing Gun 12v 24v Engine Analyzer Tach Dwell Volt Advance Ignition Timing Gun Aliexpress

10 Best Timing Lights Review And Comparison 2020 Update Obd Advisor

10 Best Timing Lights Review And Comparison 2020 Update Obd Advisor

The 10 Best Timing Lights To Buy 2020 Auto Quarterly

The 10 Best Timing Lights To Buy 2020 Auto Quarterly

Bosch Actron Cp7529 Digital Timing Light Designed With Advanced Features Jegs

Bosch Actron Cp7529 Digital Timing Light Designed With Advanced Features Jegs

Innova 5568 Pro Timing Light With Tool Case

Innova 5568 Pro Timing Light With Tool Case

Actron Digital Tach Advanced Inductive Timing Light 991 22 National Parts Depot

Actron Digital Tach Advanced Inductive Timing Light 991 22 National Parts Depot

The 10 Best Timing Lights To Buy 2020 Auto Quarterly

The 10 Best Timing Lights To Buy 2020 Auto Quarterly

Vintage Sears Dwell Tachometer And Neon Timing Light With Starter Switch For Sale Online Ebay

Vintage Sears Dwell Tachometer And Neon Timing Light With Starter Switch For Sale Online Ebay

Snap On Computerized Tach Advance Timing Light No Mt 1261 Property Room

Snap On Computerized Tach Advance Timing Light No Mt 1261 Property Room

Gym Equipment Digital Tach Advance Led Timing Light Red

Gym Equipment Digital Tach Advance Led Timing Light Red

Auto Digital Timing Light Tachometer Up To 9 990 Rpm Buy Auto Timing Light Digital Timing Light Tachometer Product On Alibaba Com

Auto Digital Timing Light Tachometer Up To 9 990 Rpm Buy Auto Timing Light Digital Timing Light Tachometer Product On Alibaba Com

Innova Pro Digital Timing Light 5568 Timing Lights Auto Body Toolmart

Innova Pro Digital Timing Light 5568 Timing Lights Auto Body Toolmart

Timing Light Recommendations Mga Forum Mg Experience Forums The Mg Experience

Timing Light Recommendations Mga Forum Mg Experience Forums The Mg Experience

Digital Tach Advance Timing Light Es125 Olct

Digital Tach Advance Timing Light Es125 Olct

Lot Of Vintage Automobile Timing Lights Tach Meters 4 6 8 Cylinder Ebay

Lot Of Vintage Automobile Timing Lights Tach Meters 4 6 8 Cylinder Ebay

Homcom Digital Tach Advance Led Timing Light Red

Homcom Digital Tach Advance Led Timing Light Red

Digital Diesel Petrol Engine Timing Light Multi Functional Timing Gun 12v 24v Engine Analyzer Tach Dwell Volt Advance Ignition Timing Gun Aliexpress

Digital Diesel Petrol Engine Timing Light Multi Functional Timing Gun 12v 24v Engine Analyzer Tach Dwell Volt Advance Ignition Timing Gun Aliexpress

Digital Advance Timing Light With Tach Dwell Voit Tester View Timing Light With Tach Dwell Voit Tester Fosn Product Details From Hangzhou Fosn Precision Tools Co Ltd On Alibaba Com

Digital Advance Timing Light With Tach Dwell Voit Tester View Timing Light With Tach Dwell Voit Tester Fosn Product Details From Hangzhou Fosn Precision Tools Co Ltd On Alibaba Com

Ask Away With Jeff Smith How To Set Up An Advance Curve Without A Distributor Machine

Ask Away With Jeff Smith How To Set Up An Advance Curve Without A Distributor Machine

Make An Led Timing Light

Make An Led Timing Light

Timing Light Digital Ignition Tachometer Inductive Rpm 2 4 Cylinder Au007

Timing Light Digital Ignition Tachometer Inductive Rpm 2 4 Cylinder Au007

Jonnesway Digital Advance Timing Light With Tach Dwell Volt Tester Bromley Codeman Eu

Jonnesway Digital Advance Timing Light With Tach Dwell Volt Tester Bromley Codeman Eu

Top 10 Best Timing Lights For Car Reviews In 2020

Top 10 Best Timing Lights For Car Reviews In 2020

Amazon Com Actron Cp7529 Digital Timing Light With Advance Tachometer Flashlight And Led Display Gray Automotive

Amazon Com Actron Cp7529 Digital Timing Light With Advance Tachometer Flashlight And Led Display Gray Automotive

Matco Digital Advance Tach Timing Light Mtl4186 Retail 295 11x11x4 3lbs 75 Auctions Online Proxibid

Matco Digital Advance Tach Timing Light Mtl4186 Retail 295 11x11x4 3lbs 75 Auctions Online Proxibid

Timing Light And Tach Dwell Meter Free Corvetteforum Chevrolet Corvette Forum Discussion

Timing Light And Tach Dwell Meter Free Corvetteforum Chevrolet Corvette Forum Discussion

Sears Timing Light With Tach Dwell Meter 21300161

Sears Timing Light With Tach Dwell Meter 21300161

Auto Digital Timing Light Tachometer Up To 9 990 Rpm Buy Auto Timing Light Digital Timing Light Tachometer Product On Alibaba Com

Auto Digital Timing Light Tachometer Up To 9 990 Rpm Buy Auto Timing Light Digital Timing Light Tachometer Product On Alibaba Com

How To Tune Your Ignition Toolpro Timing Lights Youtube

How To Tune Your Ignition Toolpro Timing Lights Youtube

Ferret Instruments Tach Advance Dwell Volts Timing Light Tools Mechanics Auto Tools Automotive Specialty Tools

Ferret Instruments Tach Advance Dwell Volts Timing Light Tools Mechanics Auto Tools Automotive Specialty Tools

Lot 6098sun Tachometer Engine Vacuum Inductive Timing Light All In Case

Lot 6098sun Tachometer Engine Vacuum Inductive Timing Light All In Case

Digital Tach Advance Timing Light Es125 Olct

Digital Tach Advance Timing Light Es125 Olct

Timing Light And Tach Dwell Meter Free Corvetteforum Chevrolet Corvette Forum Discussion

Timing Light And Tach Dwell Meter Free Corvetteforum Chevrolet Corvette Forum Discussion

Timing Light Digital Ignition Tachometer Inductive Rpm 2 4 Cylinder Au007 Timing Lights

Timing Light Digital Ignition Tachometer Inductive Rpm 2 4 Cylinder Au007 Timing Lights

Source : pinterest.com

Random Posts